Carburateur 15/10/101 10mm 15.43.62
Carburateur 15/10/101 10mm
15.43.62
- Fabrikant
- Bing
- Referentie fabrikant
- 15/10/101
- Reeks fabrikant
- 15
- Binnendiameter (d)
- 10 mm
- Motoraansluiting
- 23 mm
- Filteraansluiting
- 52 mm
- Naaldstand
- 3e groef van boven
Op de eerste Kreidlers werden Pallas carburateurs gemonteerd. Op de K50 vond je er ook even één van Amal. In 1958 werd er voorgoed overgeschakeld op Bing carburateurs.
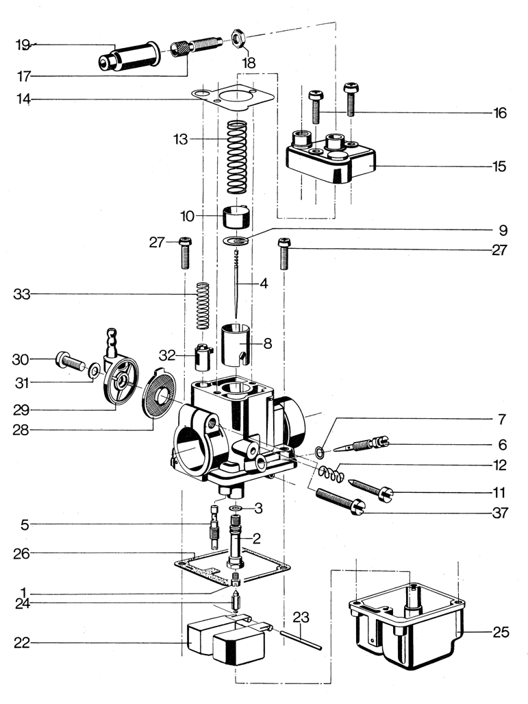
Stuklijst van deze module
N° | Code | Omschrijving | Aantal |
---|---|---|---|
1 | 07.16.73/43 | Hoofdsproeier 43 | 1 |
2 | 07.16.71/2,10a | Naaldsproeier 2,10A | 1 |
3 | 07.16.72 | O-ring | 1 |
4 | 07.16.03 | Gasnaald Nr.II | 1 |
5 | 07.16.74/28 | Stationairsproeier 28 | 1 |
6 | 07.16.75 | Luchtregelbout | 1 |
7 | 07.16.76 | O-ring | 1 |
8 | 07.16.84 | Gasschuif | 1 |
9 | 07.15.48 | Tegenhouderplaatje | 1 |
10 | 07.16.85 | Schuifvoering | 1 |
11 | 07.16.77 | Gasschuifinstelbout | 1 |
12 | 07.16.78 | Veer | 1 |
13 | 07.16.86 | Gasschuifveer | 1 |
14 | 07.16.90 | Pakking voor mengkamerdeksel | 1 |
15 | 07.16.98 | Mengkamerdeksel | 1 |
16 | 07.16.91 | Bout | 2 |
17 | 07.16.17 | Stelbout voor carburateur/gaskabel | 1 |
18 | 07.15.09 | Moer M6x0,75 | 1 |
22 | 07.16.93 | Vlotter | 1 |
23 | 07.16.94 | Stift voor vlotter | 1 |
24 | 07.16.92 | Vlotternaald | 1 |
25 | 07.16.96 | Vlotterkamer | 1 |
26 | 07.16.95 | Pakking voor vlotterbakje | 1 |
27 | 07.16.97 | Bout | 2 |
28 | 07.16.80 | Filterschijf | 1 |
29 | 07.16.81 | Filterdeksel | 1 |
30 | 07.16.83 | Bout | 1 |
31 | 07.16.82 | Dichtring | 1 |
37 | 07.16.79 | Klembout | 1 |
Explosietekening

Pagina delen
Deel deze pagina via
of kopieer de link