KREIDLERWIKI
  • Home
  • Onderdelen
  • Kleuren
  • Modellen
  • Techniek
  • Inloggen

Hoofdsproeier 43 07.16.73/43

delen
Pagina delen

Deel deze pagina via

of kopieer de link

kopieer
Hoofdsproeier 43 07.16.73/43

Hoofdsproeier 43

07.16.73/43
Fabrikant
Bing
Referentie fabrikant
44-031/43
Materiaal
messing
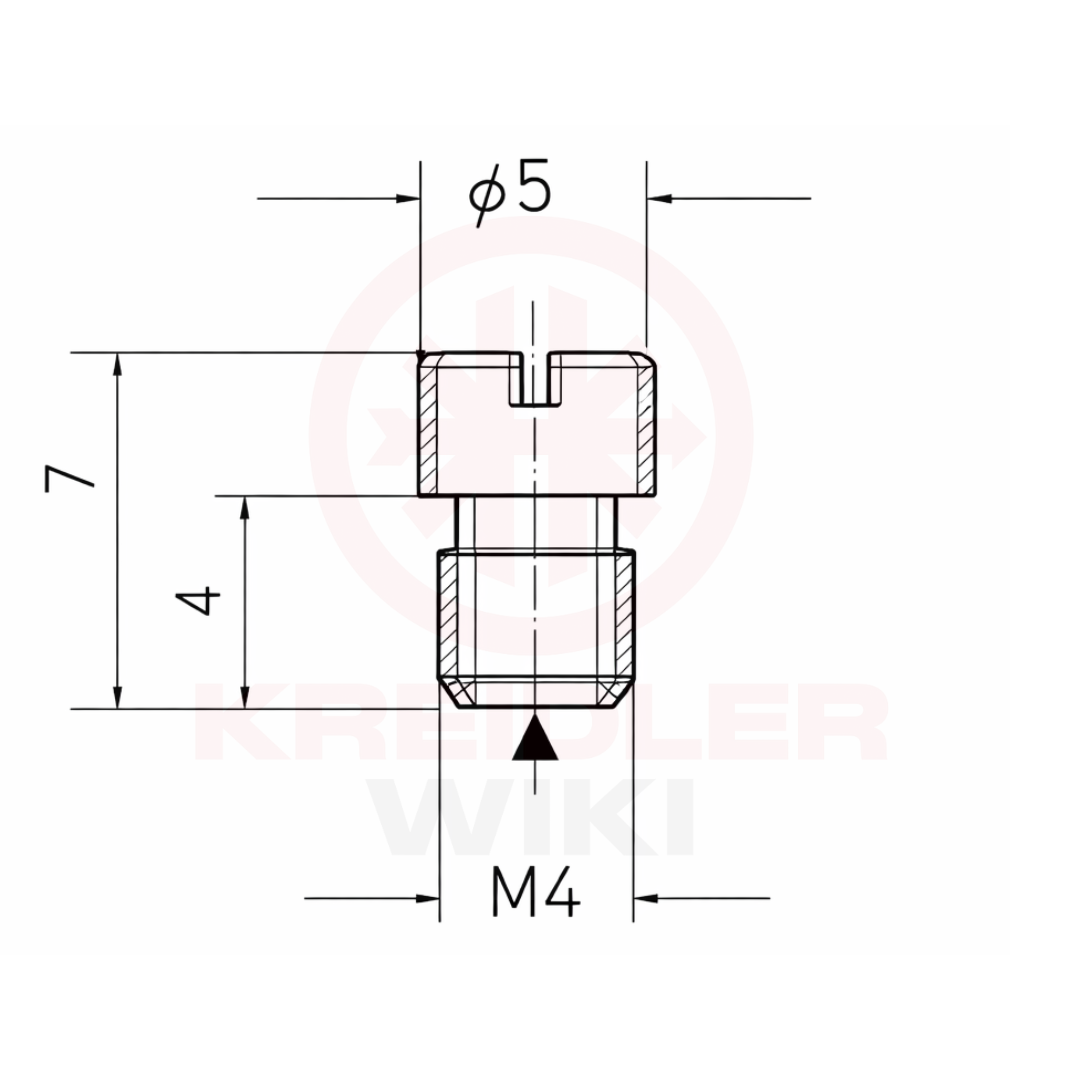
Lengte (L)
7 mm
Maat
0,43 mm
Draadmaat
M4
Draadlengte
4 mm
Spoed schroefdraad
0,7 mm
Kopdiameter
5 mm
Draadrichting
rechtse draad
Aandraaivoorziening
zaaggleuf
Technische tekening Gerelateerde modules & sets Gerelateerde onderdelen

De hoofdsproeier bepaalt de brandstofhoeveelheid bij hoge belasting (¾ gas tot volgas).

Technische tekening

Gerelateerde modules & sets

15.43.62

Carburateur 15/10/101 10mm

Gerelateerde onderdelen

07.15.09

Moer M6x0,75

07.15.48

Tegenhouderplaatje

07.16.17

Stelbout voor carburateur/gaskabel

07.16.72

O-ring

07.16.76

O-ring

07.16.78

Veer

07.16.79

Klembout

07.16.80

Filterschijf

07.16.81

Filterdeksel

07.16.82

Dichtring

07.16.83

Bout

07.16.85

Schuifvoering

07.16.86

Gasschuifveer

07.16.90

Pakking voor mengkamerdeksel

07.16.91

Bout

07.16.94

Stift voor vlotter

07.16.95

Pakking voor vlotterbakje

07.16.97

Bout

07.16.98

Mengkamerdeksel

07.16.84

Gasschuif

07.16.96

Vlotterkamer

07.16.93

Vlotter

07.16.74/28

Stationairsproeier 28

07.16.75

Luchtregelbout

07.16.71/2,10a

Naaldsproeier 2,10A

07.16.03

Gasnaald Nr.II

07.16.92

Vlotternaald

07.16.77

Stationairschroef

Terug naar de onderdelen
...
...

KreidlerWiki valt onder een Creative Commons Naamsvermelding-NietCommercieel-GelijkDelen 4.0 Internationaal-licentie. Alle informatie mag - onder de juiste voorwaarden - vrij gebruikt worden voor niet-commerciële doeleinden.

Creative Commons-Licentie

stuur een bericht