Carburateur 1/20/59 20mm 15.60.94

Carburateur 1/20/59 20mm 15.60.94

Carburateur 1/20/59 20mm

15.60.94
Fabrikant
Bing
Referentie fabrikant
1/20/59
Reeks fabrikant
SLH
Binnendiameter (d)
20 mm
Motoraansluiting
29 mm
Filteraansluiting
40 mm
Naaldstand
2e groef van boven

Op de eerste Kreidlers werden Pallas carburateurs gemonteerd. Op de K50 vond je er ook even één van Amal. In 1958 werd er voorgoed overgeschakeld op Bing carburateurs.

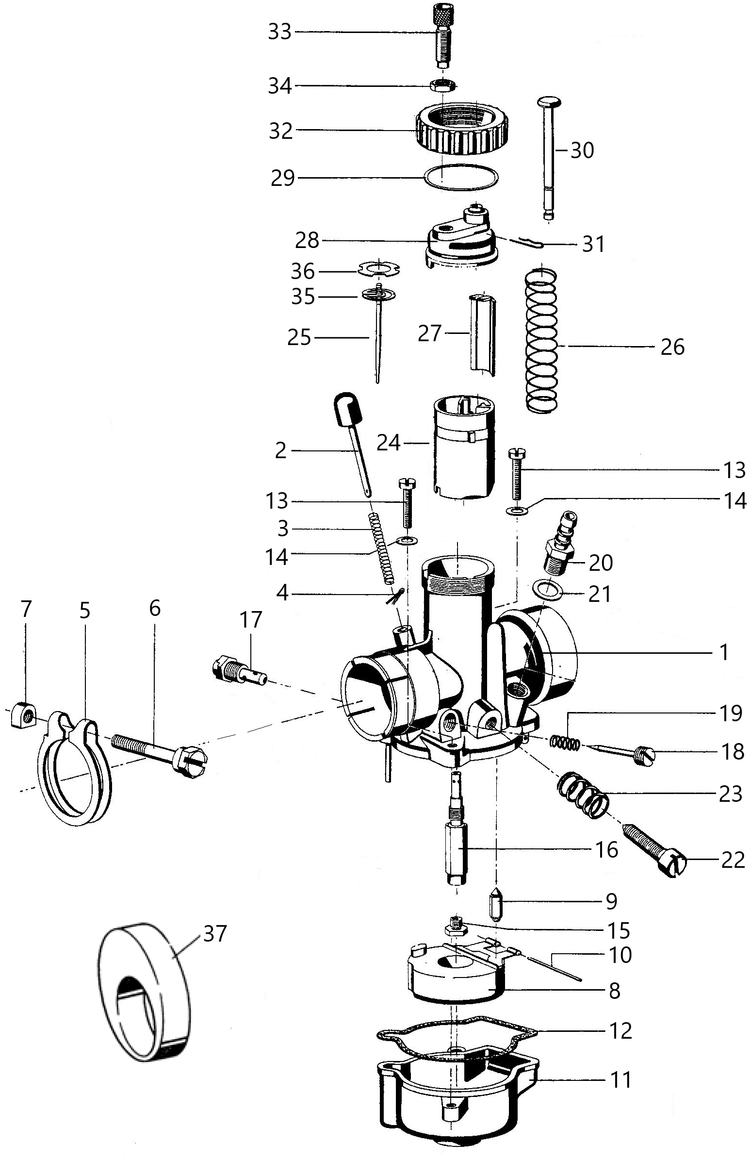
Stuklijst van deze module

Code Omschrijving Aantal
1 07.16.40 Carburateurhuis 1/20/.. 1
2 07.16.41 Vlotterpen 1
3 07.16.42 Veertje voor vlotterpen 1
4 07.16.43 Splitpen 1
5 07.16.44 Klemring 1
6 07.16.45 Klembout 1
7 07.16.46 Moer 1
8 07.15.73 Ringvlotter 1
9 07.16.32 Vlotternaald geveerd 1
10 07.15.84 Stift voor vlotter 1
11 07.16.47 Vlotterbakje 1
12 07.16.48 Pakking voor vlotterbakje 20mm 1
13 07.16.49 Boutje voor vlotterkamer 2
14 07.16.50 Veerring 2
15 07.15.76/78 Hoofdsproeier 78 zeskant 1
16 07.16.37 Naaldsproeier 1208 1
17 07.15.77/35 Stationair Sproeier 35 1
18 07.15.81 Luchtregelschroef voor Carburateur 1
19 07.15.90 Veer 1
20 07.16.52 Slangtule 1
21 07.15.25 Dichtring 1
22 07.16.53 Stelbout 1
23 07.15.91 Veer 1
24 07.16.54 Gasschuif compleet RS 20mm 1
25 07.16.38 Gasnaald RS 20mm 1
26 07.16.57 Gasschuifveer 1
27 07.16.58 Chokeschuif 20mm RS Carburateur 1
28 07.16.59 Mengkamerdeksel 1
29 07.16.02 Dichtring voor Carburateur 1
30 07.16.60 Drukstift voor choke 20mm 1
31 07.16.61 Klembeugel voor carburateur 1
32 07.15.70 Dekselring voor krooncarburateur 1
33 07.16.17 Stelbout voor carburateur/gaskabel 1
34 07.15.09 Moer M6x0,75 1
35 07.16.55 Klemveertje voor gasnaald
niet vermeld in de onderdelenboeken
1
36 07.16.56 Getandering voor gasnaald
niet vermeld in de onderdelenboeken
1
37 15.60.02 Nylon tussenstuk RS 20mm 1

Explosietekening

Gerelateerde onderdelen