Schakelhendel 57.83.51
Schakelhendel
57.83.51
- Fabrikant
- Magura
Stuklijst van deze module
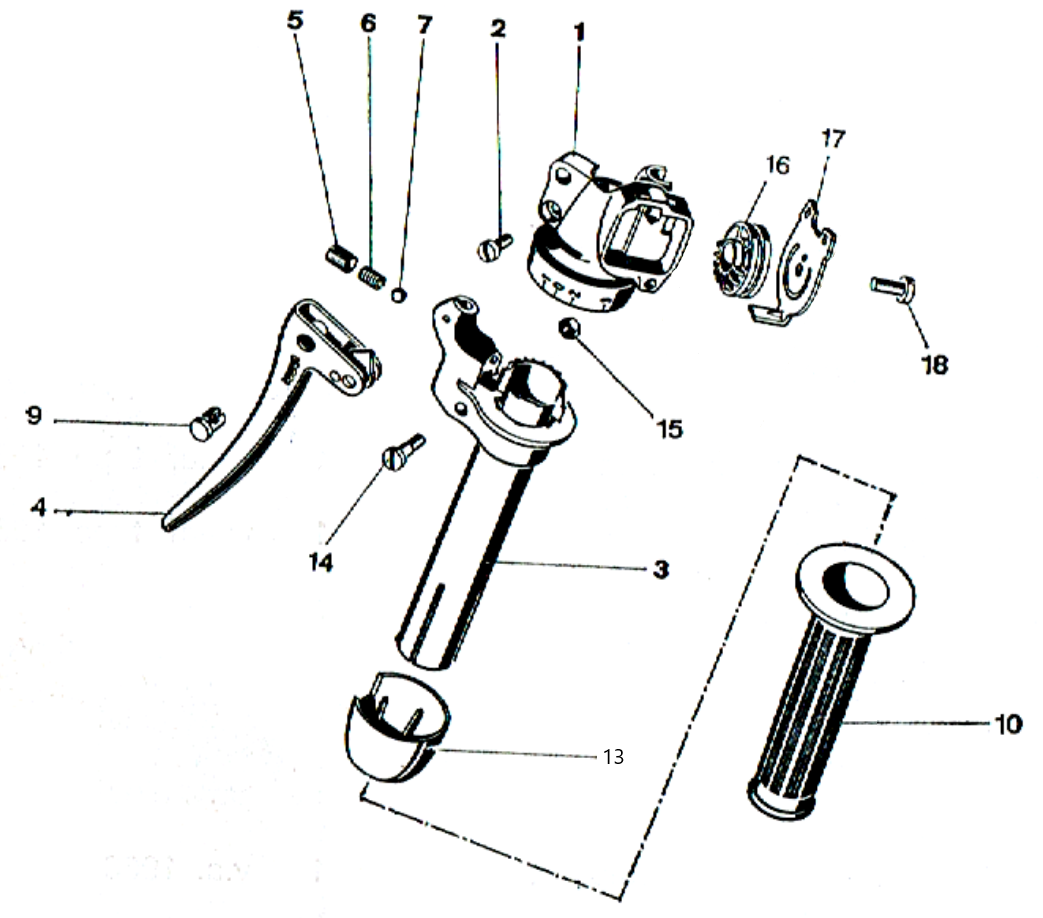
N° | Code | Omschrijving | Aantal |
---|---|---|---|
1 | 05.13.28 (1) | Versnellingshendelhuis handschakeling (oud model met gesloten brug) | 1 |
2 | 05.10.17 |
Lensbout M6X15
inbegrepen in 05.13.28 |
1 |
3 | 05.13.30 | Schakeldraaigreep LH Kaal | 1 |
4 | 05.11.98 | Schakelhendelgreep | 1 |
5 | 05.13.31 | Regelbout voor schakelhandvat | 1 |
6 | 00.40.52 | Getande borgring J5,3 | 1 |
6 | 05.12.12 | Veertje voor schakelhandvat | 1 |
7 | 00.69.34 | Kogel 7/32" DIN 5401 klasse IV | 1 |
9 | 05.12.35 | Steeknippel | 1 |
10 | 05.12.62a | Handvat (draaigreep) zwart | 1 |
13 | 05.13.32 | Tussenring | 1 |
14 | 05.10.79 | Hevelbout | 1 |
15 | 00.20.04 | Zeskantmoer M5 DIN 934 | 1 |
16 | 05.12.03 | Schakelrol | 1 |
17 | 05.12.77 | Deksel voor schakelhendel | 1 |
18 | 00.17.54 | Lensbout M5x12 DIN 85 | 1 |
Explosietekening

Pagina delen
Deel deze pagina via
of kopieer de link