Versnellinghendel met greep en tussenring 57.83.99
Versnellinghendel met greep en tussenring
57.83.99
- Fabrikant
- Magura
Stuklijst van deze module
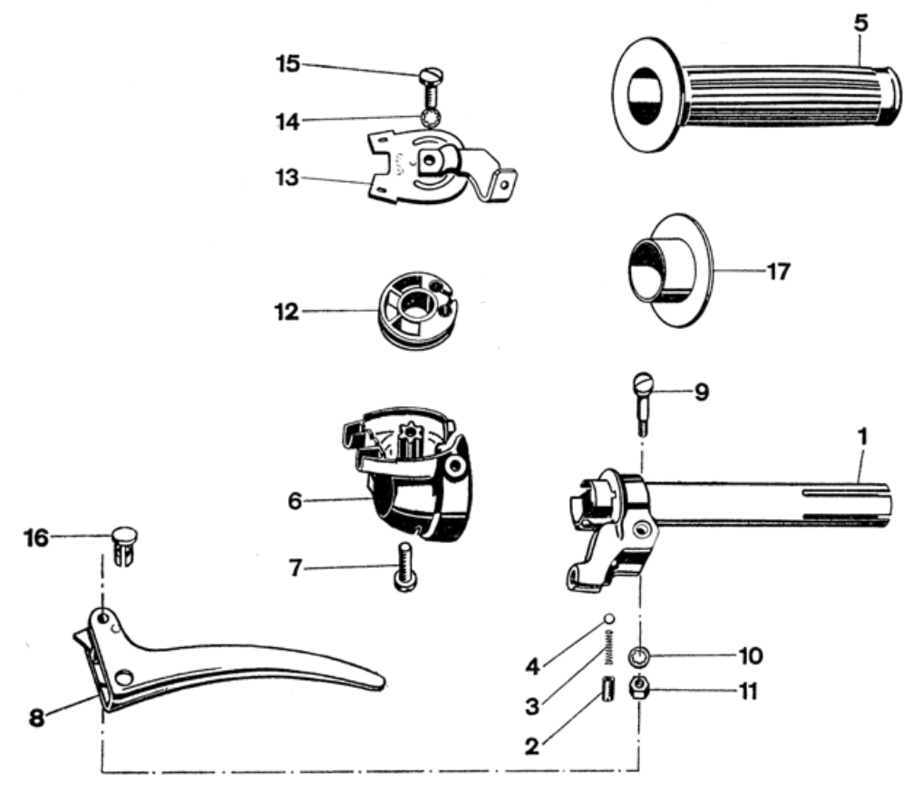
N° | Code | Omschrijving | Aantal |
---|---|---|---|
05.13.11 |
Draaibuis
onderdelen zijn apart opgelijst |
0 | |
1 | 05.12.43 | Draaibuis kaal | 1 |
2 | 05.12.11 | Regelbout | 1 |
3 | 05.12.12 | Veertje voor schakelhandvat | 1 |
4 | 00.69.34 | Kogel 7/32" DIN 5401 klasse IV | 1 |
5 | 05.12.62 | Handvat creme | 1 |
6 | 05.12.36 | Huis voor schakelhendel 3 versnellingen | 1 |
7 | 05.10.17 | Lensbout M6X15 | 1 |
8 | 05.13.07 | Versnellingsgreep. hevel (punt) | 1 |
9 | 05.10.79 | Hevelbout | 1 |
10 | 00.40.52 | Getande borgring J5,3 | 1 |
11 | 00.20.04 | Zeskantmoer M5 DIN 934 | 1 |
12 | 05.12.03 | Schakelrol | 1 |
13 | 05.13.06 | Deksel met stophendel | 1 |
14 | 00.40.52 | Getande borgring J5,3 | 1 |
15 | 00.17.54 | Lensbout M5x12 DIN 85 | 1 |
16 | 05.12.35 | Steeknippel | 1 |
17 | 05.12.39 | Tussenring | 1 |
Explosietekening

Pagina delen
Deel deze pagina via
of kopieer de link