KREIDLERWIKI
  • Home
  • Onderdelen
  • Kleuren
  • Modellen
  • Techniek
  • Inloggen

Hoofdsproeier 68 07.15.41/68

delen
Pagina delen

Deel deze pagina via

of kopieer de link

kopieer
Hoofdsproeier 68 07.15.41/68
Hoofdsproeier 68 07.15.41/68
Hoofdsproeier 68 07.15.41/68
Hoofdsproeier 68 07.15.41/68

Hoofdsproeier 68

07.15.41/68
Fabrikant
Bing
Referentie fabrikant
44-021/68
Materiaal
messing
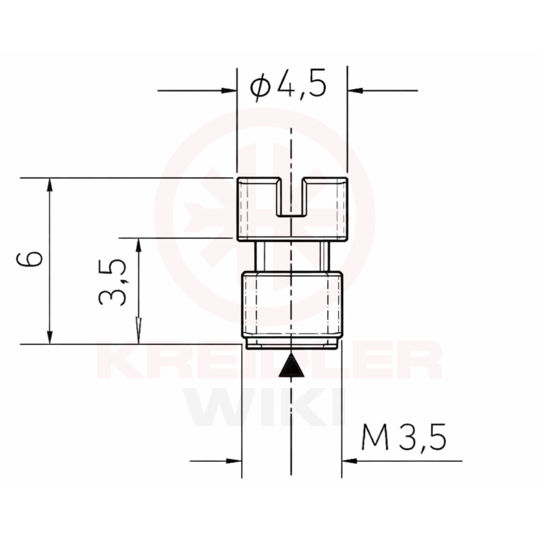
Lengte (L)
6 mm
Maat
0,68 mm
Draadmaat
M3,5
Draadlengte
3,5 mm
Spoed schroefdraad
0,6 mm
Kopdiameter
4,5 mm
Draadrichting
rechtse draad
Aandraaivoorziening
zaaggleuf
Technische tekening Gerelateerde modules & sets Gerelateerde onderdelen

Technische tekening

Gerelateerde modules & sets

215.19.96

Carburateur 1/12/255 12mm

215.19.99

Carburateur 1/12/260 12mm

215.23.94

Carburateur 1/10/133 10mm

Gerelateerde onderdelen

07.15.15

Slangtule M8

07.15.16

Stift voor vlotter

07.15.18

Tegenhouderplaatje

07.15.20

Startschuif 10/12 mm

07.15.21

Zeefje

07.15.22

Veertje voor stelbout

07.15.23

Gasschuifveer

07.15.25

Dichtring

07.15.27

Pakking voor carburateur deksel 10 en 12mm

07.15.32

Dichtring voor vlotterbakje

07.15.55

Ring voor gasschuif

07.15.75

Moer M7

07.15.08

Klembout

07.16.12

Drukstift compleet (plastic kapje)

07.16.13

Plastic kapje voor drukstift

07.16.17

Stelbout voor carburateur/gaskabel

07.16.23

Dekselboutje 14mm lang

07.16.25

Mengkamerdeksel

07.15.99

Gasschuif Nr.10

07.15.05

Vlotterbakje rond

07.16.06

Vlotter (versie 2)

07.16.20/2,12

Naaldsproeier 2,12

07.16.20/2,15

Naaldsproeier 2,15

07.16.20/2,17

Naaldsproeier 2,17

07.15.12

Gasnaald n° 2

07.15.44

Vlotternaald

07.15.14

Stationairschroef

07.16.05

Carburateurhuis 1/10/...

07.16.27

Carburateurhuis 1/12/...

Terug naar de onderdelen
...
...

KreidlerWiki valt onder een Creative Commons Naamsvermelding-NietCommercieel-GelijkDelen 4.0 Internationaal-licentie. Alle informatie mag - onder de juiste voorwaarden - vrij gebruikt worden voor niet-commerciƫle doeleinden.

Creative Commons-Licentie

stuur een bericht