Gashendel compleet met oliereservoir 555.03.96
40a52170-f824-4689-bde3-544e932ce3d3.jpg?v=FnI2vN9ubFCWhnlCQZ_rb5PIKBo1jWf7Z2--JlCw1uo) 
                            Gashendel compleet met oliereservoir
555.03.96
- Fabrikant
- Magura
- Referentie fabrikant
- D 284.21 ls/es/sz 2
- Reeks fabrikant
- D284
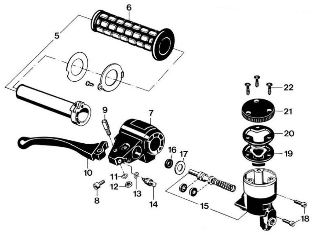
Stuklijst van deze module
| N° | Code | Omschrijving | Aantal | 
|---|---|---|---|
| 5 | 05.16.28 | Draaigreepbuis | 1 | 
| 6 | 05.16.24 | Handvat blokprofiel rechts | 1 | 
| 7 | 05.15.88 | Hendelhuis | 1 | 
| 8 | 00.17.86 | Cilinderbout M6x16 DIN 912 | 1 | 
| 9 | 05.15.21 | Bout voor schijfremhendelhuis | 1 | 
| 10 | 05.15.89 | Handgreep zwart | 1 | 
| 11 | 00.43.57 | Gegolfde veerring M6 DIN 137 B | 1 | 
| 12 | 05.13.81 | Borgmoer | 1 | 
| 13 | 00.43.57 | Gegolfde veerring M6 DIN 137 B | 1 | 
| 14 | 255.13.96 | Remlichtschakelaar | 1 | 
| 15 | 05.15.90 | Hoofdremcilinderpotje | 1 | 
| 16 | 05.15.34 | Schoonmaakrubber | 1 | 
| 17 | 05.15.26 | Ring voor hoofdremcilinder | 1 | 
| 18 | 00.17.83 | Bout M5x16 DIN 912 | 3 | 
| 19 | 05.15.44 | Balg | 1 | 
| 20 | 05.15.93 | Schijf | 1 | 
| 21 | 05.15.92 | Deksel voor rempot | 1 | 
| 22 | 05.15.94 | Bout | 3 | 
Explosietekening
 
     
            
Pagina delen
Deel deze pagina via
of kopieer de link